苏州博同手动泵
产品中心
联系方式
销售电话(TEL):
0512-69392270
手机:13915595406 马先生
传真(FAX):0512-69392271
E-mail:szbotong2010@163.com
淘宝店铺:
https://shop149570130.taobao.com
公司地址:
江苏省苏州市吴中区胥口镇长安路168号3幢
扫描微信二维
码可以微信咨
询或者可点击
下面在线咨询
当前位置:网站首页 > 单向手动泵 > 手动泵SYB-E16型
  • 手动泵SYB-E16型
  • 手动液压泵SYB-E16型
  • 液压手动泵SYB-E16型
  • 手摇泵SYB-E16型
  • 手动泵SYB-E16型
  • 手动液压泵SYB-E16型
  • 液压手动泵SYB-E16型
  • 手摇泵SYB-E16型

扫一扫,进入阿里旺铺
在线询价

产品概述:

本公司液压手动泵广泛应用于各种行业的液压机械设备配套,如液压登车桥、液压升降台、管道阀、卸货平台、扫地机、船舶、起重、煤矿等液压机械设备上以及配套电动液压设备无电时应急手动液压使用。
该手压泵的主要特点是:排量大(双向摇动都能出油)、保压性能好,结构紧凑精致、安装方便,操作简单,应用范围广。

产品型号及主要参数:
手动泵型号:SYB-E16
额定压力:25MPa(最大压力可至45MP)
额定排量:16ml/次
最大手摇力:≤400N
重量约:5Kg
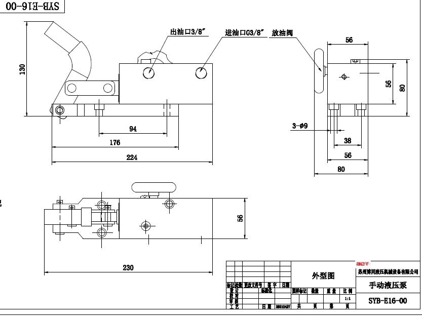
外形尺寸约:230×80×120mm
手动泵结构及外型安装尺寸图→

手动泵结构及外型安装尺寸图

液压手动泵工作原理

销售电话(TEL):0512-69392270  手机:13915595406(马总)  传真(FAX):0512-69392271
版权所有:苏州博同液压机械设备有限公司 苏ICP备10207142号-2 公司地址:江苏省苏州市吴中区胥口镇长安路168号3幢 优化推广:星度网络
热门检索:液压手动泵 手动泵厂家 液压手动泵生产厂家 手压泵 手动油泵 手摇泵 旧版回顾 站点Html 站点Xml
友情链接:串焊机皮带 派克过滤器 苏州激光打标机 液体灌装机